zh:air_hardware
This is an old revision of the document!
原理图&&技术参考手册
硬件设计详解
- 供电电路原理图
AIR的供电主要由D1,T1,U2及周围电阻电容组成,供电来源有两路:USB供电或者锂电池供电,当有USB供电时,D1导通,T1截止(Vgs大约为0.3V),U2的1脚VIN获得电压,U2是LDO,此时可以输出3.3V电压。而在没有USB供电时,T1导通(Vgs大约为-3.6V),U2的1脚获得锂电池的电压后输出3.3V电压,处于锂电池供电状态。
- 充电电路原理图
AIR在有USB线插入的状态可以给锂电池充电,这个是由LTC4054完成的。该电路十分简单,通过PROG引脚的电阻决定了锂电池的最大充电电流,根据手册的计算公式,使用3.3K的电阻实际横流充电电流为333mA。
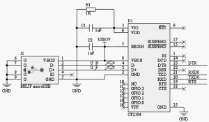
- USB转UART部分
得益于silabs的CP2104芯片方案,这部分电路十分简单,稳定性、兼容性也非常好。此芯片可以输出带流控的全串口,在ESP32下载电路中用到了DTR,RXD,TXD,RTS四个。
- 逻辑转换
这部分电路使用两个NPN三极管巧妙的转换RTS和DTR到RST和DL的逻辑,真值表如下:
- LED
zh/air_hardware.1509719689.txt.gz · Last modified: (external edit)
